收藏本站 劰载中...网站公告 | 吾爱海洋论坛交流QQ群:835383472

什么是仪表放大器?仪表放大器公式推导+工作原理 - 声学多普勒流速仪原理是什么

[复制链接]
: S9 L% D$ o6 P. a6 |% x, C5 v

今天给大家分享的是:仪表放大器,主要是关于仪表放大器工作原理、公式推导、电路设计。

+ i0 S# V1 q2 Z1 j2 E

本文引用地址:

: h0 \& w3 [8 {

仪表放大器是差分放大器的改进型 ,具有输入缓冲器,不需要输入阻抗匹配,适用于测量和电子仪器。特性包括非常低的直流偏移、低漂移、低噪声、非常高的开环增益、非常大的共模抑制比和高输入阻抗,仪表放大器用于需要非常高的精度和稳定性的电路中。

/ U. Z) R8 ?- p. P" C, h: h

主要用于放大小差分信号,仪表放大器提供最重要的共模抑制 (CMR) 功能。它消除了在两个输入上具有相同电位的任何信号。输入之间具有电位差的信号被放大。

9 q6 T; e6 W. B3 a. G) ?' e) _

仪表放大器 (In-Amp) 用于低频信号 (<1 MHz) 以提供大量增益。它放大输入信号,抑制输入信号中存在的共模噪声。

0 K( |1 f; m; G
8 R9 y. |5 `" _$ G. T

仪表放大器

+ h& Y( a; l) U6 P

基本上,典型的仪表放大器配置由三个运算放大器和几个电阻组成。为了实现最高的 CMRR(共模抑制比),使用了高精度电阻(0.1 % 容差或更好)。

: N: @. h" K& p6 ]1 _

下图 2 显示了 芯片 AD620 In-Amp(仪表放大器)的引脚配置和物理视图。这是标准的高性能、低成本放大器。它采用 8 引脚 DIP 和 SOIC 封装完全单片。可以使用单个外部电阻获得 1 到 1000 的任何所需增益。根据设计,增益为 10 和 100 的固定电阻值是标准的 1% 金属膜电阻值。

; G' L2 U' p9 R7 k% q
. _! _ n8 \: E& ^9 @

(a) 引脚配置 (b) AD620 仪表放大器

% i4 |5 |8 K3 |/ U' t! i6 M

仪表放大器通常用于放大低电平信号,抑制噪声和干扰信号。一个好的仪表放大器必须满足以下规格:

9 G" A2 P! u8 x* [, U

1、有限、准确和稳定的增益

* D; r9 }6 Z& q. _4 h

由于仪表放大器需要放大来自换能器设备得非常低电平的信号,因此高和有限增益是基本要求,增益还需要准确,闭环增益必须稳定。

2 _( H) [/ q' s. C; @4 |) {

2、更容易的增益调整

% M9 t: Q6 W9 c8 ~7 O; j

除了有限和稳定的增益外,增益因子在规定的值范围内的变化也是必要的。增益调整必须更容易和精确。

1 V# N" t! X2 K, M/ J& l; w" u) A# b

3、高输入阻抗

' `9 C9 ]+ N+ H$ {3 v- l0 `

为避免输入源负载,仪表放大器的输入阻抗必须非常高(理想情况下是无限大)。

& J/ a# D( i; F" \

4、低输出阻抗

3 L' F& Y7 l- L5 P; O/ g8 c0 L+ I

好的仪表放大器的输出阻抗必须非常低(理想情况下为零),以避免对下一级直接产生负载影响。

. e3 `- ?( V" o- M, I8 i

5、高 CMRR

! C7 G8 L/ ?$ }& j9 Z; o/ m

当通过长线传输时,传感器的输出通常包含共模信号。一个好的仪表放大器必须只放大差分输入,完全抑制共模输入。因此,仪表放大器的 CMRR 在理想情况下必须是无限的。

' r( ]4 q+ p. x9 ~. s5 }' x( T! m/ p

6、高摆率

# w" O4 ] s, x( R- f. [8 F

仪表放大器的摆率必须尽可能高,以提供最大的不失真输出电压摆幅。

' u% T. F Z+ e3 n9 q: j7 V$ m& y x( s% h

仪表放大器由两个同相放大器和一个差分放大器组成。它由具有相应端子的电阻组成。目的是设计一个具有高 CMRR 值以及最大不失真信号值的放大器。

3 B- ]$ F( B0 ^& D
' \7 _) L& `& l

仪表放大器电路

! h* s& W/ Y e

仪表放大器工作需要以下步骤:

2 f: D8 ~) f- c* |- }, A E

初始放大器(如同相放大器)被视为缓冲器。从电路中可以明显看出,对于这两个缓冲器,连接了三个电阻。

, |$ M6 q% d7 V1 S, M& s3 R( Q

电路中连接的电阻器的值将相等,除了电阻 R gain。

7 C; C6 P9 U9 ~ ]1 O) J1 L. g% I7 i

在电路中的点 1,电压将被视为 V1。

3 q: f! c, d& e2 b

同样,在点 2,电压将被视为等于 V 2。

& u2 r& `9 A; y6 c7 H9 O

在 R增益处产生的电位降是电压 V 1和 V 2之间的差。

# T3 |2 m/ x* E9 \& m

由于这个原因,电流流过那个点,即通过 Rgain。这表明没有通过反馈观察到电流流动。

; i1 \; D& ]$ o* e

然后这导致相同数量的电流流过电路中连接在上方和下方的电阻。这样,仪表放大器就工作了。

$ q5 O" r% O5 ~

这里主要是关于仪表放大器的工作原理并计算输出电压增益。如下图所示,我们可以将设计大致分为 2 个部分:第 1 级和第 2 级(差分放大器)。Vout1 和 Vout2 支路连接到第二级差分放大器设计的输入。因此,我们需要首先找到 Vout1 和 Vout2,然后将差分放大器特性应用于这些输入。

! [" E M# @$ N% b: \

第1级:

! R9 R0 v1 [7 R& Q- ]3 M$ i
% z2 L( m: r9 K- W

显示电流方向的仪表放大器

$ q# g! s* Z4 e3 X

该级包含 2 个放大器和 3 个电阻,连接在输入 V1 和 V2 之间,输出 Vout1 和 Vout2。

; P+ f4 ]: w/ ]: w& z# m7 a4 ]

首先,我们来看看第一级上放大器的V-节点。假设放大器是理想的,因此它们的开环增益是无限的。因此,我们可以假设 V +处的电压等于 V -处的电压。因此,我们可以写成 V – = V + = V1。类似地,我们可以为第一级的底部放大器写 V – = V + = V2。

4 p* A/ }! V+ J M8 N

如图所示,没有电流可以从其输入端流入放大器,因为运算放大器在其反相和非反相输入端具有无限的输入电阻。因此,来自 R1 的电流除了流向 Rg 外,无处可去。

$ Q+ |2 i ?/ R: u& _0 S: ?. ?

同样,来自 Rgain 的电流必须流过底部放大器的 R1。因此,从上电阻 R1、Rgain 和下电阻 R1 流出的电流是相同的电流。现在我们设置了这些,我们可以使用差异信号找到 Id 表达式。

# s" {/ t- P2 B) ]6 h- C: w; {
# z# y; h$ i2 Y5 M& a

仪表放大器公式推导

4 B% U# A+ L' M( ]. y( k$ H% l4 ~

并定义 V2-V1 = Vd,差分输入信号

% Q0 l6 d; E) _4 X, g9 L

因此,Vout1 – Vout2 之间的电压降可以简单地写为 Id.R

+ F5 r0 u3 |2 A- K) a8 A0 _; M2 {
& N: d+ U; v/ N

仪表放大器公式推导

( t; I3 j/ l' ]; B$ N" c

第2级(差分放大器级)

6 U" ?9 | }1 l: g0 |4 N

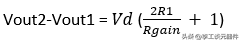
现在我们找到了 Vout2-Vout1,我们可以进入第二阶段。Vout2-Vout1 是第二级的输入,它实际上是一个差分放大器。第二级实际上是一个差分放大器,差分输入为 Vout2 – Vout1。

4 t- @ |7 B' H8 N0 c

为了简化我们的计算,首先我们将考虑一个简单的差分放大器并找到它的电压增益。然后申请

8 \& ^' [- `2 D% Z/ w
# ^2 a& U8 Q1 c4 P' B, t) X

仪表放大器公式推导

' }2 r. F- ^" L' l/ a. y, j j) [

我们将在第二阶段找到结果。

! e6 [7 c; N6 L# Q& F6 v c

考虑下图 3 中的差分放大器。让我们计算输入为 V1 和 V2 的差分放大器的 Vout,然后将结果替换为上面的表达式。

6 l( y" E: D' D5 x% e2 Z

差分放大器

n7 R! e" C; R% V* M

我们在 V –和 V +节点应用基尔霍夫电流定律。需要注意的是,运算放大器是理想的,因此为简单起见,我们可以写成 V – = V + = Vx。

6 m$ k' Y) Q6 ?; v

V -节点处的 KCL :

' ^6 W# d- ?- |. v6 E8 _
8 x0 y7 C8 z! L* N4 \

仪表放大器公式推导

5 W3 }" J- p1 {. f( c

将这 2 个方程相互减去即可去除 Vx。

' B' B9 |8 m1 u8 d) y: [6 G
) m3 x* k& L& T+ k

仪表放大器公式推导

" ]. e9 y# L# o$ b! R

现在,回到我们的原始电路,差分放大器级(第二级)的 V1=Vout1 和 V2=Vout2。所以,

- L t3 Z* c$ q0 l) K: o u
$ G& T1 m' I( ]0 g& |6 _/ B

仪表放大器公式推导

8 m3 C6 A' l, q* `% k; V6 U

其中 Vd = V2-V1,正如我们从上面的第一阶段发现的那样。

) a) y7 u% P8 ^

我们得到

1 I# G4 ?. m) M' j0 K2 F8 ]
3 R% C. G* a Y1 n" _; _

仪表放大器公式推导

' O% s& U4 a2 e8 n( o0 H2 K

其中 Vd = V2-V1,差分输入。

% }! o5 k/ T" M2 }/ `

1、 LM358 构建的仪表放大器

+ p1 M& N( z& z d% t& \# k e

1)元器件清单

6 [1 h& k4 w6 E8 \

制作仪表放大器电路需要以下组件:

0 R- T5 J3 X* S3 N0 F* d
/ Z) _" I3 n4 P8 H

元器件清单

6 ~! v& V+ n! X6 O% c: y( f' T

2)仪表放大器电路设计

1 a% c7 T' C( l, c/ l+ ]

该电路需要三个运算放大器,这里使用 2 个 LM358 IC。LM358是两个运放的双运放模块,所以我们的电路需要两个运放。但是,你可以使用三个单封装运放 LM741 和一个 LM324 运放四封装。

9 I& i( i* n! L; F# T' D- l
* l" s5 a* t! e' N- K

仪表放大器

3 A6 j1 s3 ^1 K$ h7 g1 P3 p

U1:A 和 U1:B 运算放大器在上述电路中用作电压缓冲器,以确保输出阻抗很高。

$ B( y4 `& w2 A% W8 q! v

U2:A 运算放大器用作运算放大器,由于所有的差分运放电阻都是10 k,它作为单位增益的差分放大器工作,这意味着输出电压是U2:A的引脚3到引脚2的电压差。

) E# `2 r) L: i t% P- J* A

3)仪表放大器计算

& u) E5 |2 N5 I( j

可以使用仪表放大器电路的以下公式测量输出电压。

3 {& S# x7 o) f, y

Vout = (V2-V1)(1+(2R/Rg))

+ P9 Q3 r7 d- {/ I6 l: ]

其中 R = 电路电阻。R = R2 = R3=R4 = 10k R5 = R6 = R7

- ^8 X$ o: c6 }

Rg = 电阻增益。Rg = R1;这里是22k。

* g/ C! z; G0 Y

R 和 Rg 值决定放大器的增益。

- _0 G0 b" E3 v: u$ r( n- w3 S

增益值可以定义为

/ I# E( c8 I; f- O

增益 = (1+(2R/Rg))

; P. h' p0 I" h h9 G/ C% K

电压 V1 为 2.8V,V2 为 3.3V。R 为 10k,Rg 为 22k。值为 10k。在上面的公式中,输入所有这些值。

, \9 c! d g7 i$ S( {5 i

Vout = (V2-V1)(1+(2R/Rg))

" ?9 E" x, J5 Y# F' G

(3.3-2.8)(1+(2×10/22))

- d# e/ z; H( R7 A# A

(0.5)*(1.9)

4 L6 z* N# @" M+ O

= 0.95V

8 ~9 n4 n5 T+ w5 z y

我们的值为 0.95V,对应于上述近似值。如上所述,电路的电压差因此为 1.9。该电路测试输入电压之间的差异并将增益乘以输出电压。

& ]9 j l% U0 W# i/ e0 i7 b

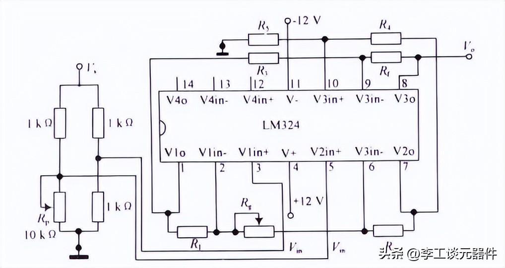
2、LM324 构建仪表放大器

4 X1 R8 [3 [6 m

以一块四运放集成电路LM324为主要元件,如下图所示。其特点是将4个功能独立的运放集成在同一个集成芯片中。使用LM324有什么好处?也就是说,可以大大降低每个运算放大器由于制造工艺不同而导致的器件性能差异。此外,采用统一电源有利于降低电源噪声,提高电路性能指标。并且电路的基本工作原理保持不变。

. K& D1 S; y- i
: @+ c" T& v1 v S+ i9 y& a0 m

LM324 仪表放大器

1 m5 N9 H' B8 w$ Q; c

3、AD620 构建仪表放大器电路

" L7 X1 S2 c- y' ]' j, a

该电路以单片集成芯片AD620为主要电子元件,如下图所示。其特点是电路结构简单:一个AD620、一个增益设置电阻Rg、一个工作电源。因此,设计效率非常高。

& s6 N* Q- l+ V' R9 _# G$ }" H9 Y

下图的电路增益计算公式为:G=49.4K/Rg+1。

$ U! J, J- p$ |4 N
7 O8 _9 {! @$ c9 [* q+ u

AD620 仪表放大器

& M' g4 q6 S. z+ a3 C8 n

4、LM741 构建仪表放大器电路

5 I2 E5 l( \, i

由三个通用运放LM741组成一个三运放仪表放大电路形式,并辅以相关电阻外围电路。同时增加A1、A2同相输入端的桥式信号输入电路,如下图所示。

& I7 K- |) ?: x* w- q2 r
5 n% Z& I* D% S

单运放仪表放大器

/ h- }, t7 g% S0 Z+ t' ?: R

上图中的A1~A3可以分别用LM741代替。该电路的工作原理与典型的仪表放大器电路完全相同。

. \" e: ^/ _3 O3 m7 B) f" k- O4 L! H( E 3 A# X4 J, W0 g, M/ R @ k" |' U8 y( g: v9 ~ % [" C& @3 o; X" f# l \' `: a0 n % B4 L, X$ i5 }2 c( q) y7 ^: E 3 ~& L/ c1 f6 J / [$ Q F/ h- K% U7 F* X% h0 N - \# {2 t7 c# U8 |. z8 W( \' Z# _ / L" R/ \1 w/ q+ o3 T2 y$ \4 C8 R) N1 O) B- {7 S . I) ^9 y+ b: S% s9 Z* o# l- C9 ]* H* M) l7 ]0 }" \6 G' q3 Q / ~% u" w0 i4 b& D% F4 F7 v9 v 5 }. m' [6 e7 {
回复

举报 使用道具

全部回帖
暂无回帖,快来参与回复吧
懒得打字?点击右侧快捷回复 【吾爱海洋论坛发文有奖】
您需要登录后才可以回帖 登录 | 立即注册
梅子姐姐
活跃在昨天 22:07
快速回复 返回顶部 返回列表