点击上方“溪流之海洋人生”即可订阅哦目前传统的海洋监测系统主要有水面浮标、潜标、水面调查船以及水下机器人等,但是由于海洋环境的多样性,这些传统的监测方案无法满足各种各样的需求。比如:水面浮标与潜标在使用过程中位置往往比较固定,在监测大范围海洋环境时无法灵活移动;水面调查船在工作时其机动性很好,可以满足灵活监测大范围海洋环境的任务,但是调查船在工作的过程中需要耗费大量的人力和物力,监测费用比较昂贵;水下机器人在海洋环境中比较灵活,监测范围大,但由于它在水下活动,对通讯、能源供应方面要求比较高,无法长时间工作,并且完成远距离通信比较困难。因此这些传统的监测方案存在诸多弊端。无法满足多个领域的海洋环境监测需求。
8 _3 K9 h! O( Z4 S5 ^* v4 c4 V/ _ 本设计针对海洋监测系统实时性高、灵活性强、成本低、通讯方便等要求,设计了一款以水面浮台为中转中心,通过光纤电缆连接水下机器人共同作业的海洋环境监测设备。解决当前传统的监测设备使用复杂、无法远距离通信、作业昂贵、无法长时间工作等问题。 4 [* @" }3 g9 U
一、海洋环境检测平台总体设计 ; L: @+ x4 A# ~: d. t
监测平台主要任务有:①水下机器人通过模拟摄像头采集水下视频监控信号,并通过光纤收发器传输至水面浮台;②水面浮台通过光纤收发器与水下机器人之间进行通信,传输控制指令以及水下参数;③水面浮台通过无线模块与地面控制站进行通信,接收控制站发送的控制信号,并将水下传回的视频信号与数据发送至地面控制站;④水下机器人通过深度计采集水下机器人深度信息,并通过光纤收发器传回水面浮台。根据任务要求。按照结构可将系统分为水面浮台、水下机器人、地面控制站3个部分,系统总体设计如图1所示。
8 g; Y3 L% ]1 f; l; p( O0 `% P6 P9 ?# @ 图1 海洋监测系统整体构成 " T) B' {, h+ U# a( R
二、水面浮台设计
2 F3 q8 F& U3 [( [" R& a ⒈水面浮台总体设计
@1 q- ]; X0 Y' |1 |& B& \6 w8 x 水面浮台由浮台主体、供电单元、通信单元构成。①浮台主体:工作于水面,主要用于安装水面浮台供电单元以及通信电路板,并为水面浮台提供浮力;②供电单元:为水面浮台与水下机器人进行能源供应;③通信单元:作为中转机构,连接地面控制站与水下机器人端,进行实时数据互换。以下详细说明。
) {9 @: n" ~% g2 [ ⑴水面浮台主体设计
) e2 z. ?0 f7 P5 B5 x 水面浮台工作于水面,在水面的稳定十分重要。考虑到水面浮台受到的浮力必须满足载体自身重量与供电系统重量。并且还要考虑到波浪的干扰,需要提高浮台的随波性。水面浮台外形结构最终决定设计成直径为800mm的圆球形状。平台主体采用碳纤维和玻璃纤维复合制成,相比于传统的浮塔采用的金属材料,具有重量轻、抗腐蚀能力强、随波性好等特点。图2为水面浮台三维结构。
9 Z+ ?3 c- k1 x0 O 图2 水面浮台三维结构
5 C0 x: z) G, Z3 d7 k& F- T ⑵水面浮台供电系统
8 P5 F& J( y' J9 g 监测系统中水面浮台与水下机器人分别在水面和水下工作,水下机器人的能源供应尤为重要,本系统中能源供应全部由水面浮台提供,它使用蓄电池加太阳能的方式为整个监测系统供电。蓄电池组安装在浮台中心底部,在夜里为监测系统提供电能;当系统工作在阳光充裕的场景下时,太阳能起主导作用,太阳能电池板安装在水面浮台六棱台上,上边的盖罩选用透明材料,使得太阳能板光照充足。其为整个监测系统提供电能的同时,并为蓄电池进行充电,使整个监测系统无论是白天或者夜晚都可正常工作,提高了设备的工作效率。图3为监测平台整体供电设计。 - H0 {% N0 w& E1 q$ x
图3 水面浮台供电系统
% c# ~' k% g& O3 M9 n d8 L 本系统的电池采用2个12V·200Ah串联组成24V·200Ah的电池组,太阳能选用6块12V·20W板组成太阳能组,联合使用构成整个供电系统。 / Z* ?) q) X4 u
根据太阳能的转换效率,按照单独使用太阳能计算,每天光照8h左右,产能为: 3 k' I: N+ a$ b' [& `! T
Q产电量=20W×6×8h×50%=480Wh
2 v- N' X9 r% W6 h( ? 监测系统使用平均功耗在200W左右,每天按24h使用,每天耗能为:
2 a: F+ h2 C% A- o" b L Q产电量=100×24h=2400Wh 1 w4 ?7 K2 ^. F1 Y# W- F2 ?
当监测系统能源供应全部采用蓄电池供给时,在蓄电池组一次完全充电的情况下,系统可以使用的时长为:
' ]% F, h' x0 Q3 B9 A/ t/ e T=(24V×200Ah)/100W=4800Wh/100W=48h
$ R. u: g- w& }; @ 在正常条件下,可以使平台工作达到连续2d左右。 `9 ^2 t7 e$ b
⑶水面浮台通信单元 7 w& Z$ h4 k, \, ^
水面浮台通信单元主要包括光纤收发器、无线通讯模块以及传感器等。无线模块用于水面浮台和地面控制站之间的通信;光纤收发器将无线模块接收到的控制信号转换为光信号传输给水下机器人,同时将机器人回传的光信号转换给无线模块发给移动控制端;传感器用于采集检测信息。图4为水面浮台信号走向。
' j( j9 Z1 ^6 D6 ~3 F$ T5 `, } 图4 水面浮台信号走向
- M; J; J9 I" d ⒉水面浮台硬件设计
0 j [4 k9 _, @% x1 g6 M$ G 水面浮台主要完成任务有3个:一是接收无线WIFI信号发送的控制指令,并解析出来,发送给水下机器人;二是接受水下机器人的监测数据并通过WIFI信号发送出去;三是通过音视频发射机将水下机器人拍摄的视频发送出去。水面浮台硬件组成如图5所示,主要包括主控最小系统电路、WIFI模块等。
" ]2 \' C' r* ^ 图5 水面浮台硬件组成
( w3 i2 i- |* c ⑴主控最小系统设计 5 ?# v% M$ |9 d# c* D. W. c1 z6 {
本系统主控采用意法半导体公司(ST)发布的STM32F407VET6,基于Cortex-M4的RISC微处理器,主频可以达到168MHz,该内核是ARM公司设计的一个处理器架构。最小系统主要包含主控芯片、供电单元、晶振单元、复位单元以及仿真接口等。
2 y2 X8 i- J, E1 @ B5 k" _9 } ⑵无线传输电路设计
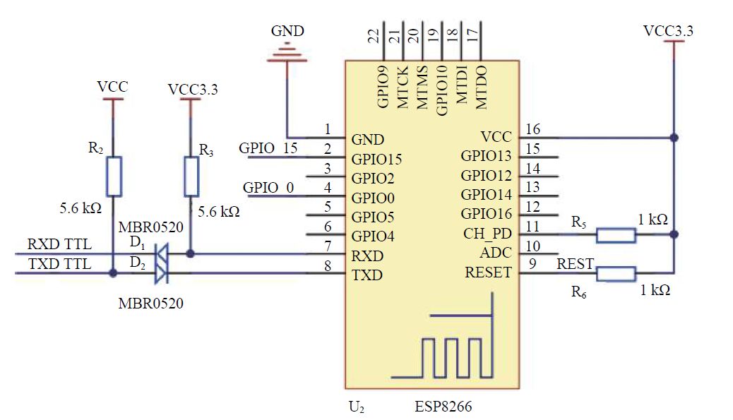
, X5 Q- B* p5 t6 _( K 水面浮台与地面控制站之间的无线信号传输采用的模块为ESP8266,通过自带的TTL 串口与主控系统进行通信,控制信号与电源信号只需要与主控芯片进行简单的互联即可使用。如图6所示。
* s5 _. Z# f' S% o8 g 图6 ESP8266模块电路 % R8 ^6 L7 u3 ^, `5 Z; U* B# B
⒊水面浮台软件设计 ; U4 B# d* K( L2 o
⑴水面浮台主控程序设计 $ x% k8 b S6 {$ L+ e$ k5 R8 H& Z9 f
水面浮台主要完成整个系统供电任务以及中转通信任务,程序设计是在Keil 集成环境下使用C语言编写,编译、调试后下载至水面浮台主控板中,水面浮台软件工作流程如图7所示。
; |8 L" U* B' S7 x$ ] 图7 水面浮台软件执行流程
+ U2 o* b3 X4 ^& O2 Z4 B, F( N 水面浮台根据所需完成的任务在软件中设计。首先单片机检测无线模块串口数据,如果检测到控制信号后,将控制信号进行解析发送给光纤收发器,并传输到水下机器人端进行电机控制;其次要检测光纤收发器是否接收到水下机器人传输的传感器信息,当检测到有数据接收时,将其转发至无线单元,并发送至地面控制站实时显示。
9 C' c. I5 y' d3 J4 p; Q. c/ }' P ⑵无线模块配置 9 o7 N" f( [7 ?( m+ ?9 N; d
水面浮台需要完成的一个主要功能是采集移动控制端发送的控制指令并将其解析发送至水下机器人。系统使用ATK−ESP8266模块进行无线通信,其配置流程如图8所示。 9 ^9 _- C; H7 @8 y
图8 wifi配置流程
0 j2 u; O3 A' V' U6 } 三、水下机器人设计 ! o$ ^/ y' Z/ K
⒈水下机器人总体设计 ; Y6 d( ~: o0 b. {1 x6 N# p
水下机器人系统主要构成有水下机器人骨架、密封舱体、控制单元以及推进器。各模块功能如下。 % t* ^# y& x; k
水下机器人骨架用于固定密封舱,推进器以及其他水下信息采集模块;密封舱体主要用于保护电子元器件;控制单元其中包括光纤收发器、模拟摄像头模块、主控板、电机驱动板、传感器信息采集板等,主要是用于解析控制端的控制指令,驱动推进器动作,采集视频、传感器信号等;推进器用于机器人上下、左右、橫摇、纵摇控制,拖动水面浮台运动。 / m/ W& f0 r3 I0 y: Q# m
⑴水下机器人骨架设计 3 I5 f& Q6 |, w
水下机器人骨架主要是用来固定密封舱体、推进器等部件。为了给水下机器人提供浮力,骨架上预留开口,在调节浮力过程中安装浮力块与配重块。为了使水下机器人本体设计更加轻巧,水下机器人本体选用耐腐蚀性的聚丙烯材料,多余的部分采用镂空设计,使得本体重量更轻。设计过程中,专门预留了传感器安装孔,并为电缆走线预设了空间。机器人框架如图9所示。 . n# {1 Q1 [$ A8 v9 ?- v h/ V: p/ A; t
图9 水下机器人框架 $ r1 J% K" E! L7 M
⑵密封舱设计
! G; b2 a, \ L/ j+ o' A 密封舱设计是机械设计过程中最重要的主题之一,因为密封舱是水下机器人的核心,其内部的电子元件必须得到很好的保护。主要电子元器件安装在外径为110mm、长度为300mm 的丙烯酸管中。前端做成半球状端盖减少水下机器人运动的阻力,并为相机拍摄提供空间;另外一端端盖由铝合金材料制成,它有8个直径为10mm、深度为10mm 的孔,用于安装水密接插件,所有内部电子元器件与推进器以及电源之间的连接都通过这些水密接插件完成。关于密封舱的防水采用硅胶片和O型圈一起使用来进行端盖防水处理,在电子仓与端盖之间形成紧密密封。 ; s$ V- U6 l6 \, w% o. S% S$ B5 w
⑶推进器布局
* g2 a9 {# g @6 t 在水下机器人控制过程中,有多个自由度的控制,根据水下机器人自由度要求不同,所选用的推进器数量也不同。所设水下机器人以升潜为主,在浮台工作时稳定平台位置;在移动过程中,利用水平配置的推进器使平台快速到达指定目标区域。所设机器人采用6个推进器推动其运动,其中4个负责垂直运动,另外2个负责水平运动。这种配置使ROV具有进退、转向、潜伏3个自由度。推进器布局如图10所示。 ) f% m. g: x! n9 y
图10 推进器布局
. `3 r5 |% n U6 ~* }3 N ⑷控制单元设计
4 j) [/ m% M, X& p: u: c& K8 Q& b5 H Q 水下机器人控制单元控制芯片同样采用STM32F407VET6,其主频可达168MHz,具有丰富的存储单元和外设接口资源、基于寄存器的读写操作、精简指令集和浮点运算单元、片内高速A/D转换器等众多资源,可以完成快速实时通信等。主要完成任务如下:①解析水面浮台发送的控制信号,将其转换为推进器驱动模块可识别的信号;②采集深度计反馈的压力信息并将其转换为深度信号。图11所示为水下机器人信号流程。
( H9 |- }. m+ u$ y; K, Q 图11 水下机器人信号流程 8 I( v) ?* w: K5 a8 T
⒉水下机器人硬件设计 ! O+ d0 m# a0 M! p9 e# c: |
⑴数据采集板最小系统设计 $ [$ n, g) V, k4 @( G+ t' W
采集电路需要具备可扩展性和丰富的外设资源等特点,所以本设计采集电路的主控芯片采用FPGA芯片。型号为EP3C10E144I7。 - g2 y6 r. }' D( f6 O+ w
⑵电机驱动板电路设计
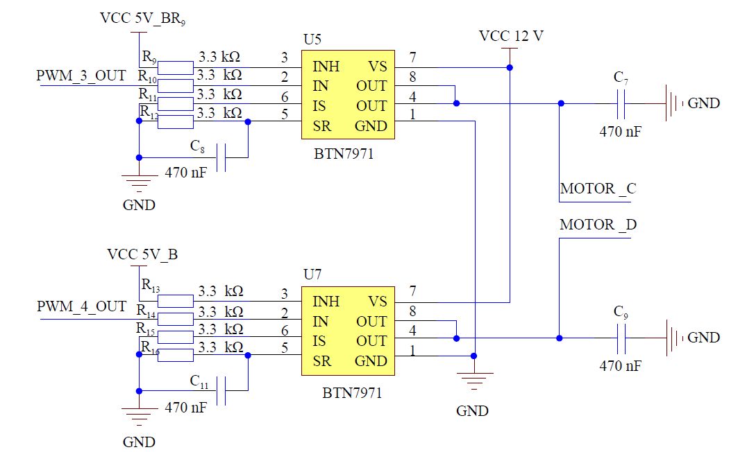
6 N7 n: J+ B, l 电机驱动采用两块BTN7971芯片构成的全桥电路,如图12所示。
5 `) r( x" ]& ]0 `0 r% E 图12 H桥电机驱动电路 2 m2 }+ G9 v2 P9 P4 ~) f' X
芯片的引脚INH为启动引脚,当IN引脚为高电平时高边MOS管导通,IN引脚为低电平时低边MOS管导通。
' w7 P+ |( Q: i3 W2 ^ ⑶水深检测单元电路设计
9 i- }& d. m. Z8 k# o MS8503−1BA传感器模块包括压力传感元件和低功耗的24位ADC压力模块,水深测量分辨率优达2mm,最高可测量300m 水深。I2C通信协议与主控通信供电电压1.5~3.6 V。连接电路如图13所示。 ! s' `/ v" C& E& v
图13 MS5803传感器连接电路 4 f( y& q1 V' L d3 I
⒊水下机器人软件设计
. T* Y& _7 y. ~& H; m, W ⑴控制程序设计
3 n& e6 t" g0 O/ O- X2 G% c" z 水下机器人主要完成传感器信息采集、解析控制指令、推进器控制以及视频信号的采集等任务。其代码也是在Keil环境下使用C语言编写。编译、调试后下载至水下机器人主控板中执行,水下机器人软件执行流程图如图14所示。 1 j. e" `- \% M- y
图14 水下机器人软件执行流程
) n1 J# l" ~" g( C1 e 主控在定时器的作用下,间隔20ms读取一次深度数据以及姿态信息,并通过串口2 将采集到的传感器数据发送给光纤收发器的485接口,发送给水面浮台系统;同时通过串口1 从光纤收发器485接口接收上位机发送过来的控制指令信息;然后将接收到的控制指令解析出来,根据控制指令来控制推进器进行前进、转向、升潜等动作。视频信号经过摄像头采集后直接通过光纤收发器的模拟接口接到光纤收发器上,转换成光信号后通过光纤通信发送之水面浮台进行通信,不需要再编写特定的解码指令来传输视频信号,便于进行视频监控操作。 . ]4 J8 h% |# c4 r: [
⑵电机驱动程序设计
+ ~7 Y4 S. c5 v6 v* y- Q# P+ G 本设计的电机驱动方式是基于脉宽调制(PWM)调速方式控制来控制推进器,灵活方便,控制精度高。通过定时器设置,对方波的占空比进行调制解析。电机驱动的PWM 控制原理是通过脉宽调制加上一些储能元件组成一起使用。通过控制输出电压的幅值来起到控制电机速度的目的,它的调制方式是调幅。主要根据占空比大小来控制直流电机两端的平均电压值来控制电机。根据H桥电路模型,调节经过电机的电流方向来调节电机转向。PWM初始化流程如图15所示。 $ j% r) ?2 ?* U
图15 PWM初始化流程
* f7 y# c. n1 J: O- v 根据串口接收到的控制指令,调节PWM占空比来调节电机的转向与转速,整个控制流程如图16所示。 7 F6 \* x+ u: R( T" s; G
图16 电机驱动控制流程
7 H' R# I0 C) D# H& q ⑶传感器采集设计
9 f( @6 g# R! B' Y+ r- F 深度计采集程序使用I2C接口进行数据采集,采集流程如图17所示。 : i0 N% ?4 ~* {0 P& U& f
图17 深度计采集流程
U) L3 w5 Y& ~. \& ~ 四、试验验证 & ^" s# I2 ^# B) d9 a. {$ `
为了检验监测系统的水下观测、运动稳定性等性能,在水池对系统进行检验。实验环境如图18所示。水池长50m、宽30m,水深10m,水池内域情况良好。在完成水池试验后,进行了海试实验。 : Z: r! f1 y. |0 K1 n
图18 水下拍摄图片
( q8 ` {. A8 v0 Y% t( [# b0 ^ ⒈下潜拍摄实验 0 R* V: T3 Q- a, X
为了验证水下机器人水下监测的实时性,进行了水下潜伏拍摄实验。通过上位机发送下潜指令,操控升降电机工作,使水下机器人进行下潜动作,在下潜的过程中进行拍摄任务。 + i7 i; ]8 W7 m4 T3 G0 q8 u# C: P
⒉扩展性实验
[+ n/ J+ d _" F! z3 p4 w 为了验证监测平台监测数据类型的全面性,进行扩展性实验。数据采集板通过搭载不同的传感器,对海域相应信息进行监测。本次实验通过水面浮台扩展波浪测量仪器设备对某海域的波浪高度进行监测,监测现场如图19所示。
# D6 @) n" p/ v# ? 图19 波浪监测现场 3 R& F# K. B5 b1 E$ M
实验用到的波浪测量仪器是一款基于石英陀螺与加速度计所设计的波浪运动参数测量系统,通过计算得到波浪高度数据,波浪测量仪器如图20所示。 z( o r+ P7 p) V9 e( I, ]5 ^ W
图20 波浪测量仪器 : _' y6 P$ K2 i$ n( A# m
图21为实验所取得的海浪参数数据,根据数据可知,该海域平均浪高在20cm左右。
2 ~5 N8 `+ R# j! e/ V. J. _( |& R 图21 波浪高度与频谱分析 # I* C8 P' a o6 Y& {) f( X
该实验表明本课题所设计的小型海洋环境监测平台具有较强的扩展性能,针对不同的监测领域,该设备可搭载不同的传感器去进行监测工作,并将所需的监测数据实时发送给用户。
& O. d. Y/ f( z0 m* m) @& w 五、结论 6 B4 \3 I4 @. P
本文设计了一种以水面浮台为中心,联合水下机器人的海洋监测系统,实现局部海洋环境的信息监测功能,并具有以下优点:
% {5 u1 _' U# T6 l! q) u ⑴所设计的供电系统解决了当前监测设备无法长时间工作的问题,使得系统具有长航时功能;
/ \$ G" G+ q6 j/ e* v ⑵水面浮台与水下机器人之间运用光纤收发器进行通信,降低了水下信号传输成本,解决了在水中信息传输不便的问题; 9 @3 @, k* v# H" W
⑶由于水下机器人的机动性,使得该监测设备可灵活的实施大范围监测。 " ?( k3 c* G& J+ u9 Z
1 * |0 ^0 y/ d6 m y" e6 h
END : n& C* w$ |! W+ K# F1 p4 c# R$ [
1
! q, H/ G. E7 x2 F% t 【作者简介】本文作者/韩旭 吕良良 何昆鹏,分别来自海军湛江航保厂和哈尔滨工程大学自动化学院;第一作者韩旭,男,高级工程师;文章来自《应用科技》(2019年第3期),参考文献略,用于学习与交流,版权归作者及出版社共同拥有,转载也请备注由“溪流之海洋人生”微信公众平台整理。  fill=%23FFFFFF%3E%3Crect x=249 y=126 width=1 height=1%3E%3C/rect%3E%3C/g%3E%3C/g%3E%3C/svg%3E)  fill=%23FFFFFF%3E%3Crect x=249 y=126 width=1 height=1%3E%3C/rect%3E%3C/g%3E%3C/g%3E%3C/svg%3E)
! D; o# ^& t9 B- \: r 相关阅读推荐 # {, j# ~5 F5 t% L `
海洋科技▏无人船声学探测设备集成设计优化方法研究
- p. c0 m4 Z( ?4 T, ] 海洋论坛▏李民:中国海洋仪器产业发展现状与趋势
% R8 c. i# c: A* F J0 Y 海洋技术▏海洋可控源电磁探测系统概述
6 a9 B' B3 J9 ~ 知识窗▏MEMS技术及其在海洋观测中的应用
1 g& w) ~! W# ~& C- l 科技动态▏用ROV的方式,让结构物声呐检测更加高效 . m8 j9 o2 S6 ~0 ]& b7 T6 m
海洋论坛▏海洋运载平台控制技术的发展趋势  fill=%23FFFFFF%3E%3Crect x=249 y=126 width=1 height=1%3E%3C/rect%3E%3C/g%3E%3C/g%3E%3C/svg%3E)  fill=%23FFFFFF%3E%3Crect x=249 y=126 width=1 height=1%3E%3C/rect%3E%3C/g%3E%3C/g%3E%3C/svg%3E) % \ l$ }2 @( ?' N z x% P6 W
公众号 , `! g$ b! d' \! n7 C/ V3 |
溪流之海洋人生 4 O5 u/ J' H% `9 _" v) p& c/ V
微信号▏xiliu92899
1 I+ ?& I2 p$ M" y0 |, |% \ 用专业精神创造价值 ' y% F8 p u3 ~; G5 c) t* g
用人文关怀引发共鸣 您的关注就是我们前行的动力 ' c7 s2 o" n" f
投稿邮箱▏452218808@qq.com
; N( ^1 Z {/ u3 R D' h7 B
) p H; J" v$ ~0 B5 B
" y+ R7 ?. u5 _1 U7 W |